产品详情
Product Feature:
This series of chuck comes with built-in cylinder structure, adopt the advanced alloy steel material, all with the surface by surface hardening treatment, in order to improve the accuracy and durability Without flange connection, D connection.
产品型号

产品参数
| Performance parameters | ||||||||
| Model/Spec. | Jaw stroke (diameter)(mm) | Maximun static clamping force (Kgf) | Maximum static holding force (Kgf) | Permissible pressure (Mpa) | Limit speed (r/min) | Clamping range | Holding range | Net weight (kg) |
| QS5-08" | 5 | 7140 | 4284 | 0.4-0.8 | 3300 | 20-220 | 40-240 | 24 |
| QS5-10" | 5.7 | 9282 | 6120 | 0.4-0.8 | 3000 | 30-260 | 50-280 | 37 |
| QS5-12" | 8.5 | 14076 | 9486 | 0.4-0.8 | 2500 | 40-350 | 60-360 | 72 |
| QS5-15" | 10 | 19788 | 15096 | 0.4-0.8 | 2000 | 60-420 | 80-440 | 122 |
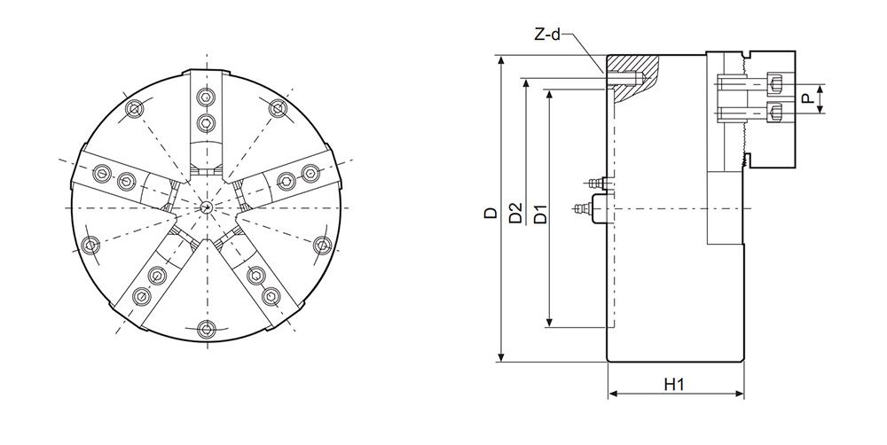
| Size parameters | ||||||||
| Model/Spec. | D | D1 | D2 | H | H1 | h | p | Z-d |
| QS5-08" | 212 | 165 | 180 | 136 | 98 | 5 | 25 | 3-M10 |
| QS5-10" | 252 | 206 | 226 | 143 | 100 | 5 | 30 | 3-M12 |
| QS5-12" | 325 | 270 | 290 | 160 | 115 | 6 | 30 | 6-M12 |
| QS5-15" | 400 | 340 | 368 | 168 | 118 | 6 | 43 | 6-M16 |





