产品详情
传统中心架一般是两点或者三点支撑,通过手动人工调节各个支撑杆,从而达到和主轴同心的目的,
调节的精度往往取决于技术工人的手感,所以这种方式精度和效率较低,不能满足数控机床加工对高精度的要求,所以液压自定心中心架就应运而生了。

液压自定心中心架的结构包括壳体,壳体前端两侧都转动连接着夹持转臂,壳体内还装有做直线往复运动的凸轮推杆,
凸轮推杆两侧分别转动链接着回程板,回程板上有滑槽,夹持转臂后端设置有与滑槽相对应的销轴,销轴安装在滑槽内;
除此之外,夹持转臂的前端还设有支撑轴承,凸轮推杆的前端也有支撑轴承;夹持转臂后端有可转动的滑动轴承,
凸轮推杆上有与滑动轴承相对应的曲面;壳体后端有液压驱动油缸,
液压驱动油缸包括油缸缸体及置于油缸缸体内用于驱动凸轮推杆的液压活塞杆,液压活塞杆连接于凸轮推杆后端。
产品型号

产品参数
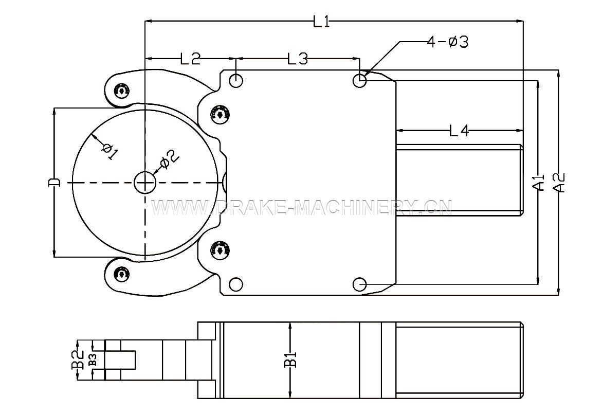
| HY-A series center stand specifications, dimensions and technical performance parameters | ||||||||||
| Model | HY65A | HY100A | HY150A | HY200A | HY260A | HY280A | HY310A | HY350A | HY420A | HY520A |
| Clamping diameter range | φ5-φ65 | φ10-φ100 | φ20-φ155 | φ30-φ200 | φ35-φ260 | φ40-φ280 | φ50-φ310 | φ70-φ350 | φ115-φ420 | φ150-φ520 |
| L1(mm) | 231 | 314 | 441 | 520 | 665 | 670 | 743 | 798 | 908 | 948 |
| L2(mm) | 54 | 68 | 104 | 125 | 157 | 161 | 177 | 229 | 258 | 278 |
| L3(mm) | 53 | 100 | 150 | 170 | 230 | 230 | 270 | 240 | 265 | 315 |
| L4(mm) | 94 | 110 | 148 | 175 | 208 | 208 | 228 | 235 | 260 | 290 |
| A1(mm) | 134 | 170 | 240 | 280 | 360 | 360 | 400 | 461 | 440/475 | 560/680 |
| A2(mm) | 150 | 188 | 265 | 310 | 392 | 392 | 442 | 449 | 510 | 750 |
| B1(mm) | 65 | 80 | 95 | 105 | 110 | 110 | 125 | 125 | 135 | 155 |
| B2(mm) | 32 | 40 | 45 | 55 | 60 | 60 | 75 | 75 | 75 | 95 |
| B3(mm) | 15 | 19 | 20 | 25 | 25 | 25 | 29 | 29 | 29 | 32 |
| φ1(mm) | 65 | 100 | 155 | 200 | 260 | 280 | 310 | 350 | 420 | 520 |
| φ2(mm) | 5 | 10 | 20 | 30 | 35 | 40 | 50 | 70 | 115 | 150 |
| φ3(mm) | 12 | 18 | 18 | 18 | 22 | 22 | 22 | 22 | 22 | 22 |
| D(mm) | 67 | 102 | 156 | 205 | 268 | 280 | 311 | 355 | 421 | 520 |
| Working Pressure (MPa) | 0.5-2.5 | 0.5-2.5 | 0.5-2.5 | 0.5-2.5 | 0.5-3 | 0.5-3 | 0.5-3.5 | 0.5-3.5 | 0.5-5 | 0.5-5 |
| Working Range Centering Accuracy | 0.02 | 0.05 | 0.04 | 0.05 | 0.05 | 0.06 | 0.06 | 0.06 | 0.07 | 0.08 |
| Repeat | 0.01 | 0.01 | 0.01 | 0.1 | 0.01 | 0.01 | 0.01 | 0.01 | 0.02 | 0.02 |
| Net Weight (kg) | 7 | 20 | 46 | 69 | 106 | 106 | 158 | 186 | 216 | 328 |





