产品型号

产品参数
● The cylinder body is made of high quality aluminum alloy, lightweight, small and durable.
● High speed performance stabiling.
● Can screw it from the rear and of the cyindor when mounting.
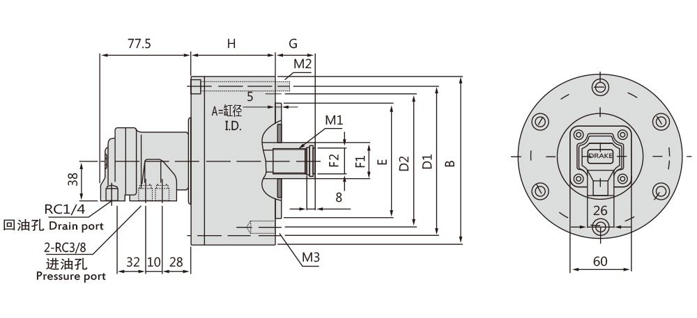
| Dimensions(mm) | |||||||||||||
| Spec | A | B | D1 | D2 | E(H7) | F1 | F2(H8) | G | H | M1 | M2 | M3 | |
| Model | max | min | |||||||||||
| RH-75H | 75 | 107 | 90 | 90 | 65 | 28 | 21 | 45 | 30 | 60 | M20x35 | M8x65 | 6-M8x16 |
| RH-100H | 100 | 132 | 115 | 100 | 80 | 28 | 21 | 45 | 25 | 77 | M20x35 | M8x80 | 6-M10x20 |
| RH-125H | 125 | 160 | 140 | 130 | 110 | 35 | 25 | 50 | 85 | M24x40 | M8x90 | 6-M12x20 | |
| RH-150H | 150 | 190 | 170 | 45 | 31 | 55 | 98 | M30x45 | M10x100 | 12-M12x24 | |||
| RH-200H | 200 | 245 | 220 | 145 | 120 | 55 | 37 | 70 | 35 | 118 | M36x60 | M10x125 | 12-M16x30 |
| RH-250H | 250 | 296 | 275 | 200 | 160 | 60 | 37 | 100 | 40 | 156 | M36x60 | M12x160 | 12-M20x30 |
| Specifications | |||||||||
| Spec | Eff piston area(cm²) | Piston stroke(mm) | Max. Speed (r/min) | Max. pressure MPa(kgf/cm²) | Max.pull force kgf(KN) | Moment of inertial (kg.m²) | Weight(kg) | ||
| Model | Extend | Retract | Extend | Retract | |||||
| RH-75H | 41.7 | 37 | 15 | 6000 | 40(4.0) | 1500(14.7) | 1330(13) | 0.02 | 3.2 |
| RH-100H | 75.4 | 70.8 | 20 | 5000 | 2710(26.6) | 2550(25) | 0.04 | 4.8 | |
| RH-125H | 119.6 | 111.5 | 25 | 4300(42.1) | 4010(39.3) | 0.06 | 7.2 | ||
| RH-150H | 173.6 | 159.2 | 30 | 6250(61.2) | 5730(56.1) | 0.1 | 9.8 | ||
| RH-200H | 314.1 | 290.4 | 35 | 4000 | 11300(110.8) | 10454(102.4) | 0.25 | 15.7 | |
| RH-250H | 485.7 | 462.3 | 60 | 2000 | 17500(171.5) | 16640(163.0) | 0.52 | 45.5 | |
| The drain port should be independently connected to oil tank to avoid back pressure. | |||||||||





